Name: A Biao
Tel: 0577-61568760
Phone:13506559954
WeChat:86+13506559954
Whatsapp:86+15381506128
Instagram:qichuangp
YouTube:qicuang@gmail.com
facebook:https://www.facebook.com/profile.php?id=100087300828460
twitter:@QichuangP
trademanager:qichuangpower
E-mail:qicuang@gmail.com
Add:2188 Liuhuang Road, Liushi Town, Yueqing City, Wenzhou City, Zhejiang Province
Whatsapp WeChat
Model :
Number :
Weight :
Product Description
Bk Series 25va Single Phase Machine Tools Power Control Transformers


Structure character
According to different structures, BK transformer belongs to shell type, and according to the installation mode, it belongs to vertical type.
Working environment
1. Ambient air temperature: -5oC~+40oC, the highest monthly mean temperature should not exceed +30oC;
2. Altitude for installing place should not exceed 1000m;
3. When the ambient air temperature is +40, the relative humidity should not exceed 50%, and it allows higher relative humidity under lower temperature. Max average humidity in the dampest month is 90%, meanwhile the lowest average temperature of this month is +25oC, and condensation on the product surface caused by temperature change should be taken into consideration.
Datasheet:
Primary voltage 220V 380VAC
Secondary voltage: 380V, 220V, 110V, 36V, 24V, 12V, 6V (TO BE CHOSEN)
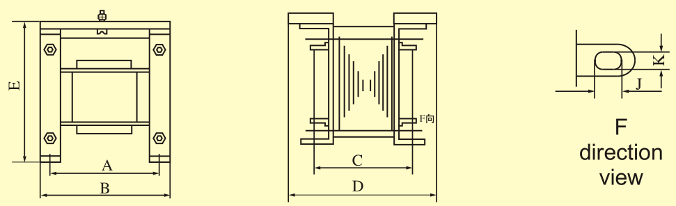
| Model | Overallsize | Overallsize | Overall size | Holedistanceforinstallation | Installationhole | Weight | QTY | |
| (mm) | Bmax | Dmax | Emax | A(mm) | C(mm) | KxJ(mm) | (kg) | /CTN |
| BK-25 | 76 | 80 | 77 | 65±0.4 | 50±1.5 | 5*7 | 1.97 | 16 |
| BK-50 | 87 | 94 | 87 | 70±0.4 | 60±1.5 | 6*8 | 3.3 | 16 |
| BK-100 | 108 | 95 | 101 | 85±0.4 | 65±1.5 | 6*8 | 5.5 | 12 |
| BK-150 | 108 | 100 | 101 | 85±0.4 | 75±1.5 | 6*8 | 6.4 | 8 |
| BK-200 | 115 | 107 | 101 | 85±0.4 | 80±1.5 | 6*8 | 7.3 | 8 |
| BK-250 | 115 | 110 | 125 | 90±0.4 | 95±1.5 | 8*11 | 9 | 6 |
| BK-300 | 115 | 115 | 125 | 90±0.4 | 100±1.5 | 8*11 | 9.87 | 6 |
| BK-400 | 135 | 140 | 140 | 110±0.4 | 100±1.5 | 8*11 | 13.9 | 4 |
| BK-500 | 135 | 145 | 140 | 110±0.4 | 105±1.5 | 8*11 | 15.5 | 4 |
| BK-700 | 150 | 150 | 158 | 125±0.4 | 100±1.5 | 8*11 | 17 | 2 |
| BK-800 | 155 | 150 | 160 | 125±0.4 | 119±1.5 | 8*11 | 20 | 2 |
| BK-1000 | 155 | 160 | 160 | 125±0.4 | 130±1.5 | 8*11 | 25 | 2 |
| BK-1500 | 180 | 220 | 180 | 143±0.4 | 150±1.5 | 8*11 | 17 | 1 |
| BK-2000 | 180 | 240 | 180 | 143±0.4 | 175±1.5 | 8*11 | 21 | 1 |
| BK-2500 | 210 | 230 | 240 | 185±0.4 | 175±1.5 | 8*11 | 25 | 1 |
| BK-3000 | 210 | 230 | 240 | 185±0.4 | 190±1.5 | 8*11 | 28 | 1 |
| BK-4000 | 250 | 250 | 280 | 195±0.4 | 170±1.5 | 8*11 | 40 | 1 |
| BK-5000 | 250 | 265 | 280 | 195±0.4 | 195±1.5 | 8*11 | 41 | 1 |
Dimension:

Connection:

0577-61568760
86+15381506128
86+13506559954