Name: A Biao
Tel: 0577-61568760
Phone:13506559954
WeChat:86+13506559954
Whatsapp:86+15381506128
Instagram:qichuangp
YouTube:qicuang@gmail.com
facebook:https://www.facebook.com/profile.php?id=100087300828460
twitter:@QichuangP
trademanager:qichuangpower
E-mail:qicuang@gmail.com
Add:2188 Liuhuang Road, Liushi Town, Yueqing City, Wenzhou City, Zhejiang Province
Whatsapp WeChat
CMB2T-125 series small circuit breaker has important features such as large rated current and high rated short circuit breaking capacity, and is a high performance small circuit breaker. The circuit breakers are mainly used in distribution lines with rated operating frequency of 50Hz/60HZ, rated operating voltage of AC240/400V and rated current up to 125A, for over-current and short-circuit protection of power line facilities and important electrical equipment in important buildings or similar places, and also for infrequent on-off operations. The circuit breaker is also suitable for isolation.
Product standard: GB/T14048.2,IEC60947-2.
Structural features
●High rated short-circuit breaking capacity, all rated current classes can reach 6kA.
●With red and green safety indication, higher safety.
●With energy-storage mechanism operation, the contact is quickly closed, overcoming the adverse effects caused by the speed of the handle operated by manpower and greatly improving the service life of the product.
●The product can be used with a variety of modular accessories, such as AX-1.
Main technical parameters
●Case current:125A
●Number of poles:1P,2P,3P,4P
●Conformity:GB/T14048.2、IEC60947-2
●Single pole width:18mm
●Rated insulation voltage Ui:1000V
●Limit short-circuit breaking capacity lcu:10kA
●Rated impulse withstand voltage Uimp:6kV
●Operating short circuit breaking capacity Ics:7.5kA
●Rated current In:16A,20A,25A,32A,40A,50A,63A,80A,100A,125A
●Reference temperature: 30°C
●Rated voltage Ue: 240/400V (1P, 2P), 400V (2P, 3P, 4P)
●Usage category: A
●Rated frequency: 50Hz/60Hz
●Mechanical life: 20,000 cycles
●Disconnection curve: C: 8Insh 20%, D: 12ln±20% -Electrical life: 6,000 cycles
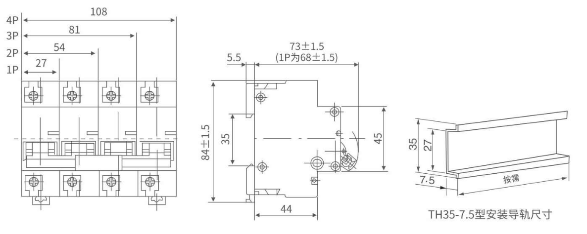
Products and external dimensions

0577-61568760
86+15381506128
86+13506559954