Welcome to Qichuang!

Call Us:13506559954

Product
Contact Us

Name: A Biao

Tel: 0577-61568760

Phone:13506559954

WeChat:86+13506559954

Whatsapp:86+15381506128

Instagram:qichuangp

YouTube:qicuang@gmail.com

facebook:https://www.facebook.com/profile.php?id=100087300828460

twitter:@QichuangP

trademanager:qichuangpower

E-mail:qicuang@gmail.com

Add:2188 Liuhuang Road, Liushi Town, Yueqing City, Wenzhou City, Zhejiang Province

Whatsapp WeChat

CMU6-B120

CMU6-B120

Model :

Number :

Weight :

JOIN TEH INQUIRY
  • Product name
  • Intimate service

Product Description

WB-B series power supply lightning protectors are designed according to lEC and GB standards and are suitable for the second level of power supply surge protection for power supply systems.

3.jpg


Dimensional schematic

WB-B 100型 二级电源防雷器 尺寸原理图


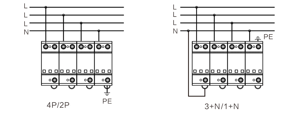
Wiring diagram


WB-B 100型 二级电源防雷器 接线图


Installation instructions

First, please connect according to the installation diagram, where L1, L2, L3 is the phase line, N is the zero line, PE is the grounding line

Second, the installation must be cut off the power supply, strictly prohibit the operation with electricity, the connection of the wire must meet the requirements.

Third, after use should be regularly checked, such as lightning protection device failure, should be replaced in a timely manner.

Fourth, the lightning protection grounding should be in line with the requirements of lightning protection specifications, grounding wire as short as possible and grounding resistance should be less than 10Ω.


QR code
SERVICE